SY-B1 ガストン耐ペイントミキサーは、研究室および少量の溶剤の混合用に特別に設計された効率的な装置です。機器の頑丈さと耐久性を確保するために亜鉛メッキフレームを使用しています。同時に、特定のニーズに応じてシャフトとブレードを選択できるため、高い柔軟性が得られます。このミキサーは、塗料工場や化学研究所などでの色の混合に特に適しており、塗料とその他の溶剤を均一に混合してさまざまな校正ニーズに対応します。 SY-B1 はコンパクトなデザインと簡単な操作により、防塗作業に使用でき、研究室や小規模生産環境に不可欠な機器です。
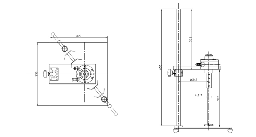
詳細なパラメータ
| モーターの種類 | モーター型式 | 馬力 | 軸サイズ(ステンレス) | 刃(ステンレス鋼) | 刃の種類 |
| ピストンモーター | AMP2 | 0.18馬力 | Φ12.7mm×220mm | 21/2"×1 | オプション: 撹拌ブレード、分散ディスク。 |
| AMP3 | 0.25HP | Φ12.7mm×220mm | 21/2"×1 | ||
| ブレードモーター | AMV0.68 | 0.9馬力 | Φ12.7mm×220mm | 21/2"×1 | |
| AMV1.3 | 1.70馬力 | Φ12.7mm×220mm | 21/2"×1 | ||
| カスタマイズされた要件に合わせて製造されています。 | |||||

現代の工業生産システムでは、電力ユニットの性能により、生産プロセスの効率と安定性が直接決定されます。圧縮空気をコアパワーソースとして使用するドライブデバイスとして、 空気圧ピストンエアモーター 、独自の技術的特性と適応性により、従来の電力ユニットに徐々に置き換えられ、多くの業界にとってコアパワーソリューションになりつつあります。電気モーターおよび油圧モーターと比較...
もっと見る現代の産業では、送電装置の選択は、生産効率と運用安定性に直接影響します。圧縮空気を搭載したドライブデバイスとして 正の変位空気圧モーター 、そのユニークな運用原則とパフォーマンスの利点を備えており、多くの業界で重要な立場を保持しています。そのコア機能は、閉じたチャンバー内の体積の周期的な変化を通じて達成されるエネルギー変換であり、電気または燃料の必要性を排除し、高...
もっと見る近代的な工業生産の広大な分野では、リフティング機器は不可欠な「舞台裏のヒーロー」であり、さまざまな生産プロセスのスムーズな動作を静かにサポートしています。その中で、 空気圧チェーンホイスト 、彼らのユニークな魅力と優れたパフォーマンスにより、多くの業界で信頼できるパートナーとして徐々に浮上しています。 働く原則を探り、テクノロジーの本質を体験してください ...
もっと見るつながりを保つ